發布時間:2021-07-09 10:36:11
電纜分支箱在電力系統配網電纜化工程中,是一種經濟、穩定、維護便利的接線方法,它全絕緣、全密封的特性而電纜線路毛病率大為降低,成為配網電纜化工程的首選設備。節省了設備和電纜的出資,提高了供電的可靠性,廣泛適用于商業中心、工業園區及城市密集區。接下來,咱們就來了解一下。
一、電纜分支箱概述
電纜分支箱用于非骨干回路的分支線路,作為結尾負荷接入用電使用,適用于中小客戶會集區域進行負荷分接時的接入用電,不應接入骨干環網及聯絡。電纜分支箱選用電纜進線1回,出線2回或4回,出線回路數可根據使用需要選用,額定電流為630A。選用全絕緣、全封閉、全屏蔽可觸摸式結構,以及采納防凝露、防內部毛病電弧外泄等措施。
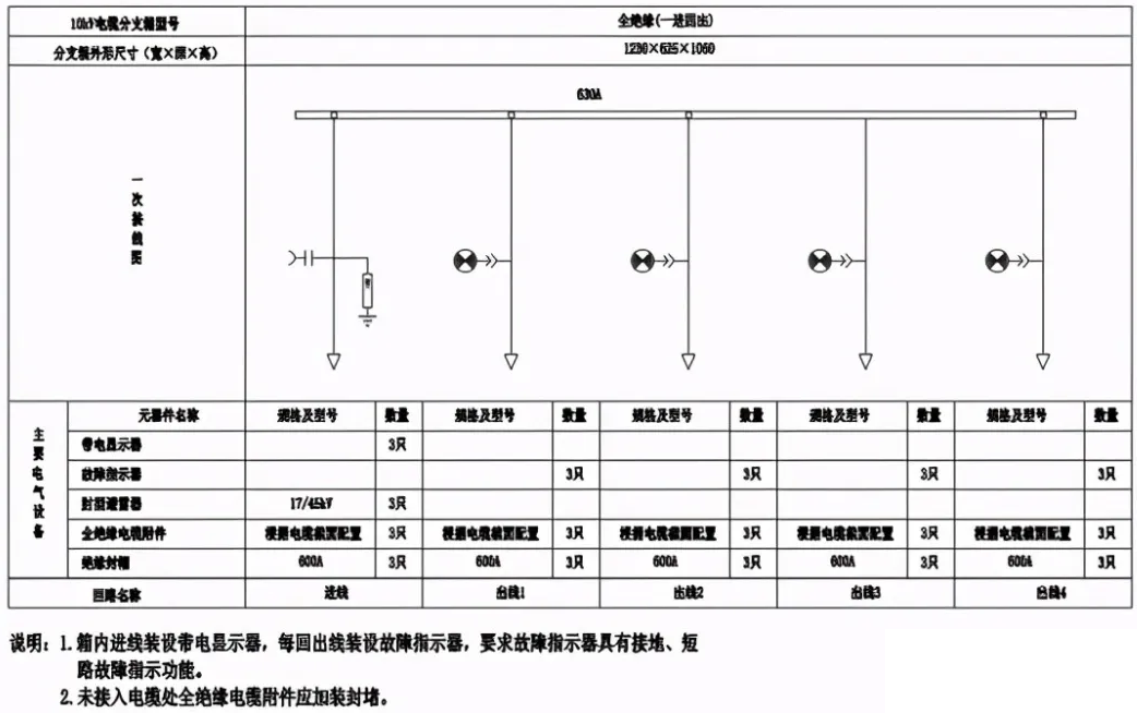
二、電纜分支箱電氣一次部分
一進四出分支
進線帶負荷開關
進出線負荷開關
進出線斷路器
三、電纜分支箱分類
常見的電纜分支箱有美式電纜分支箱,歐式電纜分支箱,環網型電纜分支箱,帶一臺開關的電纜分支箱等,一般不含有保護裝置。
1)美式電纜分支箱,它以單向開門、橫向母排為主要特點,具有寬度小、組合靈活、全絕緣、全密封等顯著優點。600A主回路采用旋入式螺栓固定連接;分支回路采用拔插式連接。
分支箱主要由箱體、母排接板、電纜接頭組成;箱體防護等級:IP43;母排接板:在電纜分支系統中起到母排的作用,其最大特點是全絕緣,全密封。包括二通接頭、三通接頭和四通接頭。
按電流等級可分為200A和600A兩種。200A母排接板與肘型電纜插頭連接;600A母排接板由于T型電纜接頭或T-Ⅱ型電纜接頭連接,從而組合成電纜多路出線。當母排接板留有預留接口時,可用相應的200A或600A絕緣帽將此接口封住。
T型電纜接頭,用于電纜分支箱的主網分支系統600A,既可以連接600A母排接板M,也可以和T-II型電纜接頭600A側連接。或者直接用若干只T型電纜接頭組合連接,可靈活組合成多路多種型式的電纜分支。
一起T型電纜接頭也可作為環網柜的進出線電纜接頭用,設備需求檢修時,可將T型電纜接頭安裝在單通接頭上,與檢修設備進行隔離,在其測試點上也可以安裝短路故障指示器或帶電指示器,相同實現快速故障定位或線路帶電狀態指示。
2)歐式電纜分支箱,它的首要特點是雙向開門、利用穿墻套管作為銜接母排,具有長度小、電纜擺放清楚、三芯電纜不需大跨度穿插等明顯優點。一般選用額定電流630A螺栓固定銜接式電纜接頭。
四、電纜分支箱的選型
(1)、橡塑外套為主材作為防護型的電纜分支箱。在長時間運轉中易發生內界面別離及顯露端頭龜裂,使絕緣和密封受損,因而該產品的開展受到限制。
(2)、丙橡膠三元乙(EPDM)為主材的電纜接頭密封型電纜分支箱。其原料偏硬,而EPDM為可燃性資料,易發生爬電或起弧容易燃燒,一起,防潮防水及抗老化的功用也較弱,達不到長時間運轉免保護的要求。EPDM為有毒物質,對環保也存在不利因素。
(3)、硅橡膠為主材電纜接頭防洪型電纜分支箱。其原料柔軟,具有高彈性、高密度、全絕緣,資料密封功用良好、達到防潮、防水、抗老化、抗阻燃、耐電暈和長時間運轉免保護等優點。由于硅橡膠與電纜采取過盈配合,徑向縮短均勻度高,不會因熱脹冷縮使內界面別離而發生內爬電擊穿,一起對電纜本體有徑向的持久壓力,使內界面結合緊密牢靠。一起硅橡膠實質是無毒資料,對環保也有利。
(4)、部分電纜分支箱帶負荷開關分斷的電纜分支箱。可實現環網柜的功用,并且價格又低于環網柜,在戶外起到代替開關站的重要作用,有便于保護實驗和檢修分支線路,減少停電經濟損失的特點,特別是在線路走廊和建配電房較困難的情況下,更閃現其優越性。
(5)、帶電可接觸與帶電不行接觸的差異和選用
帶電可接觸電纜接頭與帶電不行接觸電纜接頭的首要差異,是在于前者的硅橡膠電纜接頭內部有半導體屏蔽層,外有導電屏蔽層、經過金融抱箍銜接接地,確保電纜接頭外表電位與接地相同;而后者相同為硅橡膠電纜接頭,經過實測結果兩者對地電壓均為零值,但在實踐運轉中、后者外表或許發生感應靜電。
假如使用在變電所內部的多回路并排運轉中,需求檢測其中一回路、而相鄰回路帶電運轉時,使用可接觸電纜接頭對安滿是有利的。但是使用在電纜分支箱中,根本不存在此類問題,由于規劃是免保護產品,分支箱內并無任何二次線路需求保護與檢修,并且分支箱外殼為IP43防護等級,箱體已牢靠接地,在帶電運轉中不允許打開分支箱外殼,不存在帶電接觸分支箱內部電纜接頭的任何或許。
即使在不行抗外力的損害下(如被轎車等外物強烈相碰撞),使用可接觸與不行接觸的電纜接頭,其兩者結果都是相同的。
從運轉中的牢靠性視點分析、可接觸電纜接頭由于外表覆蓋導電層并經金屬抱箍接地,因而無任何外絕緣爬距存在。而不行接觸電纜接頭的外層為強絕緣的硅橡膠,尚有許多外絕緣爬距存在。顯然,在相同的情況下,不行接觸電纜接頭的運轉牢靠性高于可接觸電纜接頭。從經濟上的視點考慮,不行接觸硅橡膠電纜接頭的價格也低于可接觸型的電纜接頭。因而,以選用不行接觸硅橡膠電纜接頭較為抱負。
五、電纜分支箱基礎土建示意
六、電纜分支箱的安裝使用條件和運行前注意事項
目前我國生產的電纜分支箱品種繁多,因此,電纜分支箱的安裝施工就變得十分重要。在電纜分支箱與電纜接頭安裝連接過程的操作方法是否正確、電纜頭安裝工藝是否熟悉、電纜分支箱內部組件與電纜接頭部件組合的先后次序,是否按照廠家配套提供安裝規范說明書進行操作等等,都將直接影響電纜分支箱的使用壽命和正常運行。
電纜分支箱在運行前,必須檢查各分支電纜的接地線是否與箱體的接地端子連接緊固。同時,箱體外殼必須與地網直接連接或有明顯的接地點。電纜分支箱安裝完工后,必須按照有關規定的試驗標準和條件,對電纜和組件一起進行試驗。